차세대 라우터 및 스위치 장비에 필요한 DC/DC 컨트롤러

2016.05.30 14:43:38

라우터와 스위치 디자인이 갈수록 복잡해지고 있다. 전원 시스템 디자이너들은 단일 DC/DC 컨트롤러를 사용해서 전력 레벨이 각각 다른 다중 플랫폼을 지원할 수 있게 됐다. LTC7851/-1은 전력 트레인 소자로 DrMOS나 파워 블록을 사용해 위상당 최대 40A로 1개에서 12개까지 위상을 선택할 수 있으므로, 오늘날 극히 까다로운 통신 및 네트워킹 제품에 사용할 수 있는 유연한 솔루션을 제공한다.



차세대 라우터 및 스위치 장비들이 갈수록 더 복잡해지고 높은 확장성을 요구함에 따라, 이를 충족시키려면 전원장치 업체들이 효율을 높이고 솔루션 크기를 줄이며 다중 플랫폼에 걸쳐 확장하기 쉬운 유연한 솔루션을 제공해야 한다.


시스템 디자이너들은 흔히 베이스 아키텍처를 토대로 다양한 변형들을 개발하고 싶어 한다. 그렇게 함으로써 각각 다른 기능 세트를 포함한 하이엔드, 중급형, 로우엔드 시스템을 제공할 수 있다. 이들 장비에서 추가하거나 없애거나 시스템의 필요에 따라 적절한 크기로 할 수 있는 장치들로는 CAM, TCAM, ASIC, 완전 주문형 실리콘, FPGA 등이 있다.


CAM(Content-Addressable Memory)은 RAM(Random Access Memory)의 반대라고 할 수 있다. RAM에서 데이터를 검색하려면 운영체제에서 데이터가 저장된 메모리 주소를 제공해야 한다. 하지만 CAM에 저장된 데이터는 콘텐츠 자체로 질의해 액세스할 수 있다. 데이터가 위치하고 있는 주소들을 메모리가 검색하는 것이다.


이러한 병렬적 특성에 의해 CAM은 RAM보다 훨씬 더 빠르다. 그 대신 훨씬 더 많은 전력을 소모하고 더 많은 열을 발생시킨다. 또한 CAM은 비싸기 때문에 PC에는 통상적으로 사용되지 않는다. 라우터 업체들까지도 경우에 따라서는 비용을 아끼기 위해 대안적으로 첨단 소프트웨어 기반 검색 알고리즘을 사용하기도 한다.


CAM은 Intel IXP 카드나 다양한 라우터, 스위치 같은 네트워크 프로세싱 장비에 주로 사용된다. 흔히 사용되는 CAM은 바이너리 CAM이다. 바이너리 CAM은 0과 1만 검색할 수 있다. 기가비트 라인 속도로 이더넷 프레임을 전달하는 스위치 장비라면 대부분 CAM을 사용한다고 볼 수 있다. 만약 RAM을 사용한다면 운영체제가 모든 것이 저장된 주소를 기억하고 있어야 할 것이다. CAM을 사용할 경우, 운영체제가 단일 동작으로 필요한 것을 찾을 수 있다.


TCAM(Ternary Content-Addressable Memory)은 특수한 고속 메모리로서, 단일 클록 사이클에서 전체적인 콘텐츠를 검색할 수 있다. ‘Ternary (3진)’라는 용어는 메모리가 0, 1, X의 3가지 입력을 사용해 데이터를 저장하고 질의할 수 있다는 의미이다. ‘X’ 입력은 ‘와일드카드’ 상태를 말하는 것으로, 이를 사용하면 TCAM이 패턴 매칭을 사용해 더 넓은 범위의 검색을 실시할 수 있다.


이와 달리, 바이너리 CAM은 0과 1만 사용해 정확히 일치하는 것만 검색할 수 있다. 라우터는 전체적인 루팅 테이블을 이러한 TCAM에 저장함으로써 빠르게 검색할 수 있다. TCAM은 검색 속도, 패킷 분류, 패킷 전송을 향상시키지만, 그 대신 CAM보다 더 높은 전력을 필요로 한다. CAM과 TCAM 둘 다 극히 정밀한 설정과 엄격한 전압 트랜션트 응답을 요구하므로 이를 충족시키는 것은 전원 디자이너에게 있어서 매우 까다로운 과제이다.


라우터와 스위치에 많이 사용되는 또 다른 장치는 ASIC이다. ASIC은 다양한 애플리케이션에 범용적으로 사용되는 것이 아니라 특정 용도에 사용하도록 맞춤화된 IC를 말한다. 오늘날 첨단 ASIC은 마이크로프로세서, 메모리 블록(ROM, RAM, EEPROM, 플래시 메모리 등), 기타 대형 빌딩 블록을 포함한 모든 것을 통합하고 있다. 이러한 ASIC을 SoC(System-on-Chip)라고 하며, 0.8V∼1.2V 범위의 전압으로 수백 암페어를 필요로 할 수 있다.


ASIC 역시 TCAM 및 CAM과 마찬가지로 전반적인 성능을 위해서는 정밀한 설정과 엄격한 트랜션트 응답이 중시된다. 또한 전원 디자이너에게는 솔루션 크기와 뛰어난 전류 제어를 달성하는 것이 중요한 과제이다.


라우터와 스위치에 많이 사용되는 또 다른 장치는 FPGA이다. FPGA는 프로그램 가능한 IC로서, 특수한 시스템 디자인에 사용되며 사용자가 애플리케이션의 필요에 맞게 마이크로프로세서를 맞춤화할 수 있다. FPGA는 다수의 전압 입력을 필요로 할 수 있으며, 코어 전원으로 100암페어가 넘는 전류를 필요로 할 수 있다.


확장성이 필요하다


특정한 라우터로 얼마만큼의 CAM이나 TCAM을 할당할 것인가 하는 문제는 네트워킹 회사가 그 라우터 제품을 로우엔드, 중급형, 하이엔드 중에서 어느 수준으로 포지셔닝할 것인가에 따라 달라질 것이다. 비싼 라우터일수록 최대 속도, 최대한 빠른 검색, 최대의 스루풋을 달성할 수 있도록 충분한 성능의 CAM이나 TCAM을 사용할 것이다. 하지만 또 어떤 고객은 추가적인 비용의 타당성을 따져서 하이엔드 라우터를 구입하지 않을 수도 있다.


그러므로 기능성의 수준이 각자 다른 다중 플랫폼을 제공해야 한다. 이러한 다중의 플랫폼을 지원하기 위해서는 DC/DC 컨버터로 다양한 전력 레벨과 출력 수를 유연하게 지원할 수 있어야 한다.


기존의 솔루션들은 다위상 디자인을 제공하기는 하지만 통상적으로 하나 또는 두 개의 출력만 제공한다. 그러므로 두 개 이상의 고전류 부하를 공급해야 한다면 다수의 컨트롤러를 사용해야 하므로 솔루션 크기, 설계 복잡성, 비용이 증가된다.


또한 기존의 일부 전원 솔루션은 표준 DrMOS 또는 파워 블록 소자와 호환되지 않는 특수한 전력 트레인 소자를 필요로 한다. 리니어 테크놀로지(Linear Technology)의 LTC7851/-1 컨트롤러는 고전류 출력과 고밀도의 다중 POL 출력을 필요로 하는 다중 플랫폼을 지원하도록 유연성이 우수한 솔루션을 제공한다.


뛰어난 유연성을 가진 솔루션


LTC7851/-1은 다위상 동기 전압 모드 스텝다운 컨트롤러 IC로서 사용자가 1, 2, 3, 4개의 출력을 선택할 수 있는 유연성을 제공하며, 외부 소자 선택에 따라 출력당 최대 40A를 제공할 수 있다. 그리고 모든 4개 위상을 결합해서 코어 전원용으로 160A를 제공하거나, 시스템 전원 및 ASIC의 다양한 I/O 전원 레일을 공급하기 위해 4개의 개별 출력을 제공할 수도 있다.


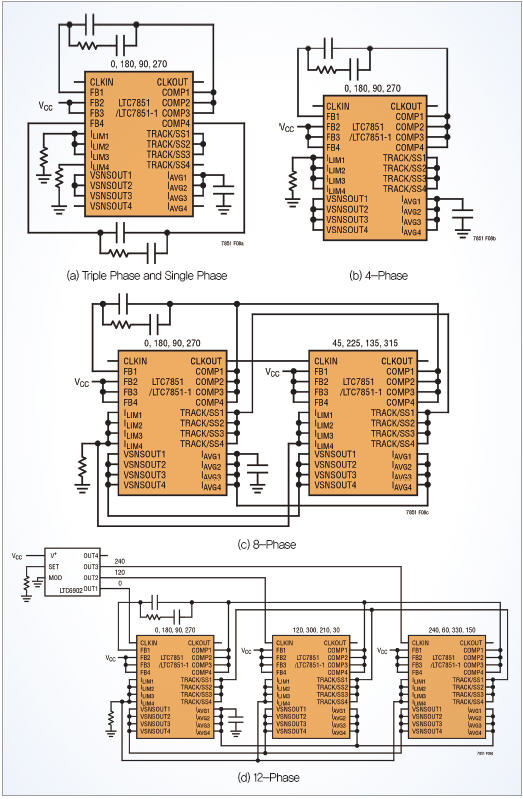
또한 LTC7851/-1은 전력 트레인 소자로 DrMOS나 파워 블록 소자를 사용할 수 있으며, 디스크리트 N-채널 MOSFET과 게이트 드라이버를 사용할 수 있어 디자인 구성을 더욱 더 유연하게 한다. 또한 2개의 IC를 사용해서 최대 8개 위상을 병렬로 연결하고, 이위상(Out-of-Phase)으로 클로킹함으로써 260A가 넘는 극히 높은 전류 요구량을 제공하면서 입력 및 출력 필터링을 최소화할 수 있다. 또한 LTC6902와 같은 외부 클록 칩과 함께 3개의 IC를 사용해서 최대 12개의 위상을 30도 이위상으로 클로킹할 수 있다.


LTC7851/-1은 내부에 보조 전류 공유 루프를 포함하고 있어, 위상들을 병렬로 연결했을 때 위상들 사이에 전류를 균등하게 함으로써 정상 상태(Steady State)와 트랜션트 이벤트 모두 다중 IC들에 걸쳐 위상 사이에 정확한 전류 공유를 달성한다. 그리고 3V∼5.5V의 Vcc전원 전압으로 동작하고, 3V∼27V 입력 전압으로 0.6V∼5V 범위의 1개에서 4개까지 독립적인 출력 전압을 제공할 수 있는 스텝다운 변환 아키텍처로 설계됐다.


또한 이 디바이스는 전압 모드 제어 아키텍처에 의해 고정 동작 주파수를 250kHz부터 2.25MHz까지 선택할 수 있으며, 같은 주파수 범위의 외부 클록으로 동기화할 수 있다. 그리고 효율을 극대화하기 위해 출력 인덕터의 전압 강하(DCR)를 모니터링하는 방법을 사용하거나 낮은 값의 검출 저항을 사용해서 출력 전류를 검출할 수도 있다. 온보드 차동 증폭기는 모든 출력에 대해 진정한 원격 출력 전압 검출을 실시함으로써 높은 정확도의 레귤레이션을 달성한다. LTC7851-1은 LTC7851과 같은데, 다만 더 낮은 전류 검출 증폭기 이득을 사용함으로써 내부에 전류 검출을 통합한 DrMOS를 사용하는 전력 트레인 애플리케이션에 사용하는 데 적합하다.


기타 특징으로는 각 위상에 대해 전류 모니터링, 조절 가능 전류 한계, 프로그래머블 소프트 스타트 및 전압 트래킹 기능, 개별 Power Good 신호를 포함하고 있다는 것을 들 수 있다. 또한 이들 IC 제품은 -20℃∼85℃의 동작 온도 범위에 걸쳐 ±0.75%의 출력 전압 정확도를 유지하며, 58리드 5mm×9mm QFN 패키지로 제공된다.


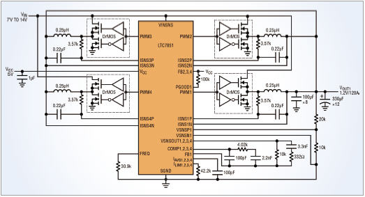
또한 잘 설계된 정밀한 레퍼런스를 사용함으로써 오늘날의 주문형 실리콘과 ASIC의 트랜션트 응답 요구를 충족시키기 위해 필요한 벌크 출력 커패시턴스의 양을 대폭 낮출 수 있다는 것도 특징적이다. 그림 1은 전력 트레인 소자로 DrMOS를 사용해 7V∼14V 입력을 1.2V/120A 출력으로 변환하는 개략도를 나타낸 것이다.


▲ 그림 1. LTC7851을 사용해서 단일 1.2V/120A 출력을 제공하는 회로


최대 94.5%의 효율


그림 2는 그림 1의 회로이며 7V, 12V, 14V 입력 전압으로 최대 120A 출력 전류를 제공할 때 LTC7851의 효율 곡선을 보여준다. 최대 94.5%에 이르는 효율을 달성하고 있다는 것을 알 수 있다.


▲ 그림 2. 7V, 12V, 14V 입력으로 단일 1.2V/120A 출력을 제공할 때

LTC7851의 효율 곡선


전류 평형


다중 LTC7851/-1 채널들을 병렬로 연결하며, 공통의 부하를 구동할 때 최대의 성능과 효율을 달성하기 위해 정확한 출력 전류 공유가 중요하게 요구된다. 이렇게 하지 않고 어느 한 스테이지가 다른 스테이지보다 더 높은 전류를 공급하면 두 스테이지 사이의 온도가 달라지고, 그러면 스위치 RDS(ON)이 높아지며 효율이 낮아지고 RMS 리플이 높아진다. 이와 같은 약간의 불일치만으로도 다위상 디자인으로 이용할 수 있는 총 전력을 크게 감소시킬 수 있다. LTC7851은 엄격한 전류 공유를 달성함으로써 오늘날 DrMOS 소자로부터 최대의 출력 전류를 끌어낼 수 있다.


LTC7851/-1은 단일 출력 다위상 애플리케이션에 사용하도록 보조 전류 공유 루프를 포함하고 있다. 이 루프를 사용해서 매 사이클에 인덕터 전류를 샘플링한다. 마스터 컨트롤러의 전류 검출 증폭기 출력을 IAVG 핀에서 평균을 낸다.


IAVG에서 GND로 연결된 소형 커패시터(통상적으로 100pF)로 마스터 컨트롤러의 순간 평균 전류에 해당되는 전압을 저장한다. 마스터 위상과 슬레이브 위상의 IAVG 핀들을 서로 연결하면 각각의 슬레이브 위상이 자신의 전류와 마스터 간의 차이를 적분한다. 각 위상 내에서 시스템 오차 증폭기 전압(COMP)에 따라 비례하게 적분기 출력을 합하고, 그 위상의 듀티 사이클을 조절해 전류를 균등하게 한다. 다중의 IC를 데이지 체인으로 연결할 때 IAVG 핀들을 서로 연결하면 약 2∼3%의 전류 불평형이 발생할 수 있다.


그림 3은 부하 전류에 따른 4개 위상 각각의 인덕터 전류 검출 전압을 나타낸 것이다. 이들 위상이 전체적인 부하 범위에 걸쳐 얼마나 잘 평형을 이루고 있는지 알 수 있다.


▲ 그림 3. 단일 1.2V/120A 출력일 때 4개 위상의 전류 평형


다위상 동작


최대 12개의 위상을 데이지 체인으로 연결하고 서로에 대해 이위상으로 동시에 실행할 수 있다. 다위상 전원은 입력과 출력 커패시터에서 모두 리플 전류를 낮출 수 있다. 그러므로 단일 위상 전원과 비교해서 EMI와 필터링을 크게 줄일 수 있다.


RMS 입력 리플 전류는 사용된 총 위상 수로 나누고, 유효 리플 주파수는 사용된 총 위상 수로 곱한다. 출력 리플 진폭 역시 사용된 위상 수만큼 감소된다. 그림 4는 다중 IC를 연결해서 3위상, 4위상, 8위상, 12위상 동작을 얼마나 쉽게 달성할 수 있는지 보여준다.


▲ 그림 4. LTC7851을 사용한 다위상 구성


LTC7851/-1을 단일 출력 다위상 애플리케이션으로 사용할 때는 슬레이브들의 FB 핀을 Vcc로 연결해 슬레이브들의 오차 증폭기를 정지시켜야 한다. 또한 SGND로 하나의 저항만 사용해 모든 전류 한계를 동일한 값으로 설정해야 한다. 전체적인 시스템의 주파수와 위상에 따라 CLKOUT 신호를 후위 LTC7851/-1 스테이지의 CLKIN 핀으로 연결할 수 있다. 


Bruce Haug _ 리니어 테크놀로지


Copyright ⓒ 첨단 & automationasia.net



상호명(명칭) : ㈜첨단 | 등록번호 : 서울,아54000 | 등록일자 : 2021년 11월 1일 | 제호 : 오토메이션월드 | 발행인 : 이종춘 | 편집인 : 임근난 | 본점 : 서울시 마포구 양화로 127, 3층, 지점 : 경기도 파주시 심학산로 10, 3층 | 발행일자 : 2021년 00월00일 | 청소년보호책임자 : 김유활 | 대표이사 : 이준원 | 사업자등록번호 : 118-81-03520 | 전화 : 02-3142-4151 | 팩스 : 02-338-3453 | 통신판매번호 : 제 2013-서울마포-1032호 copyright(c)오토메이션월드 all right reserved